|
H41H、H41Y升降式止回阀
【产品用途】 H41H、H41Y升降式止回阀系列产品可适用于水、蒸汽、气体、腐蚀性介质、食品、油品、药品等。 【产品特点】 1、阀瓣行程仅为阀瓣直径的1/3,大大减少了阀瓣关闭所需时间,有效降低了升降式止回阀的水锤压力。 2、密封面采用合金钢或硬质合金,密封副材料配对合理,使用寿命长。 【执行标准】 设计规范: GB/T 12235 BS 1868 结构长度: GB/T 12221 ASME B16.10 法兰连接: GB/T 9113 ASME B16.5 试验与检验:GB/T 13927 API 598 API 6D 【性能参数】
【流量系数】
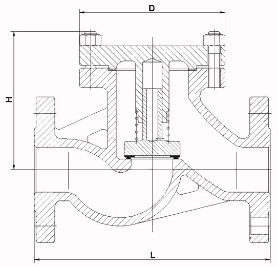
【结构简图】
|
|||||||||||||||||||||||||||||||||||||||||||||||||||

