|
手动中线法兰蝶阀
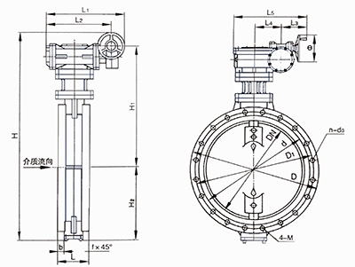
【产品用途】 中线法兰蝶阀型号有:D41X、D341X、D641X、D941X,中线法兰蝶阀公称压力≤1.6MPa的食品、医药、化工、石油、电力、轻纺、造纸等给排水、气体管道上作调节流量和截流介质的作用。 【结构示意图】
【阀门型号】 常见的法兰中线蝶阀具体型号有:d341x-10、d341f-10、d341x-16、d341f-16、d641x-10、d641f-10、d641x-16、d641f-16、d941x-10、d941f-10、d941x-16、d941f-16等。 【产品特点】 1、设计新颖、合理、结构独特、重量轻、操作方便、启闭迅速。 2、由扭矩产生弹性密封。 3、密封部位可调节更换,密封性能可靠等特点。 4、驱动方式涡轮传动、电动、气动可选。 【执行标准】 设计规范: GB/T 12238 结构长度: GB/T 12221 法兰连接: GB/T 9113 试验与检验:GB/T 13927 【性能参数】
上一篇凸耳式对夹蝶阀下一篇手动三偏心焊接硬密封蝶阀 |
||||||||||||||||||||||||||||||||||||||

