|
气动中线法兰蝶阀
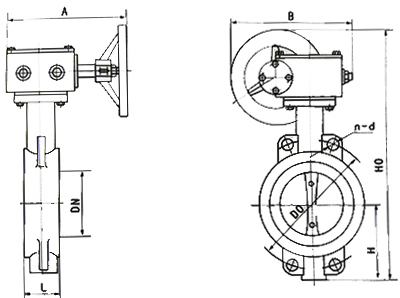
【产品用途】 D41X、D341X、D641X、D941X型中线法兰蝶阀公称压力≤1.6MPa的食品、制药、化工、石油、电力、轻纺、造纸等给排水、气体管道上作调节流量和截流介质的作用。 【结构示意图】
【阀门型号】 中线法兰气动蝶阀型号有:d641x-10、d641f-10、d641x-16、d641f-16等。 【产品特点】 1、设计新颖、合理、结构独特、重量轻、操作方便、启闭迅速。 2、由扭矩产生弹性密封。 3、密封部位可调节更换,密封性能可靠等特点。 4、驱动方式涡轮传动、电动、气动可选。 【执行标准】 设计规范: GB/T 12238 结构长度: GB/T 12221 法兰连接: GB/T 9113 试验与检验:GB/T 13927 【性能参数】
上一篇手动三偏心对夹硬密封电动蝶阀下一篇三偏心对夹硬密封蝶阀 |
|||||||||||||||||||||||||||||||||||||||||||

