|
三偏心对夹硬密封蝶阀
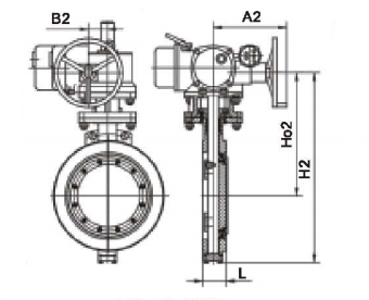
【产品用途】 D73H、D373H、D673H、D973H型PN10~PN100三偏心对夹硬密封电动蝶阀采用精密的J形弹性密封圈和三偏心多层次金属硬密封结构,被广泛用于介质温度≤400℃的治金、电力、石油化工、以及给排水和市政建设等工业管道上,作调节流量和载断流体使用。 【结构示意图】
【阀门型号】 常见的三偏心对夹硬密封电动蝶阀型号有:d973h-6、d973h-10、d973h-16、d973h-25、d973h-40、d973h-64、d973h-100、d973y-6、d973y-10、d973y-16、d973y-25、d973y-40、d973y-100等。 【产品特点】 1、对夹金属多层次密封蝶阀对夹连接结构简单,方便安装与拆卸,重量轻的特点。金属硬密封蝶阀采用三偏心密封结构,阀座与蝶板几乎无磨损,具有越观越紧的密封功能。 2、密封圈选用不锈钢制作,具有金属硬密封和弹性密封的双重优点,无论在低温和高温的情况下,均具有优良的密封性能,具有耐腐蚀,使用寿命长等特点。 3、蝶板密封面采用堆焊钴基硬质合金,密封面耐磨损,使用寿命长。 4、大规格蝶板采用绗架结构,强度高,过流面积大,流阻小。 5、金属硬密封蝶阀具有双向密封功能,安装时不受介质流向的限制,也不受空间位置的影响,可在任何方向安装。 6、驱动装置可以多工位(旋转90°或180°)安装,便于用户使用。 【执行标准】 设计规范: GB/T 12238 API609 结构长度: GB/T 12221 API609 ASME B16.10 法兰连接: GB/T 9113 API609 ASME B16.5 ISO5752 试验与检验:GB/T 13927 API598 【性能参数】
|
||||||||||||||||||||||||||||||||||||||



