|
SD341X伸缩蝶阀
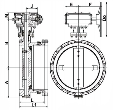
【产品用途】 SD341X法兰式伸缩蝶阀具有自动补偿管道热胀冷缩方便装卸的功能,使用于温度在425℃以下,公称压力在1.6MPa以下的石油、化工、电力、造纸、给排水和市政建设等工业管道上作调节流量和载断流体的最佳装置。 【阀门型号】 法兰式伸缩蝶阀常见的型号有:sd341x、sd341x-6、sd341x-10、sd341x-16、sd641x、sd641x-10p、sd941x、sd341f、sd641f、sd941f、sd341h、sd641h、sd941h等。 【产品特点】 1、结构独特,设计灵活,重量轻,省力,启闭迅速。 2、伸缩蝶阀不仅能补偿管道温差缩产生的热胀冷缩的功能,还能为维修阀门安装更换提供方便。 3、密封部位可调节更换,密封性能可靠。 【结构示意图】
【安装注意事项】 伸缩蝶阀安装前必须平放,切勿随意磕碰,运行时严禁将支架卸掉。 伸缩蝶阀出厂时结构长度为最小长度,安装时,拉至安装长度(即设计长度)。 当管道间长度超过伸缩阀安装长度时,请调整管道间隔,切勿强行拉伸缩蝶阀,以免损坏蝶阀。 伸缩蝶阀可在任意安装,做温度补偿用时,在管道安装完成后,需沿管道轴线方向两端加支架,防止伸缩阀伸缩管拉出。 【性能参数】
上一篇XD371X信号蝶阀下一篇D671X中线对夹气动蝶阀 |
||||||||||||||||||||||||||||||||||||

