|
D671X中线对夹气动蝶阀
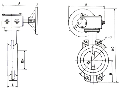
【产品用途】 D71X、D371X、D671X、D971X型中线对夹蝶阀公称压力≤1.6MPa的食品、制药、化工、石油、电力、轻纺、造纸等给排水、气体管道上作调节流量和截流介质的作用。 【阀门型号】 中线对夹气动蝶阀的常见型号有:d671x-10、d671x-16、d671f-10、d671f-16等。 【结构示意图】
【产品特点】 1、结构简单紧凑、小型轻便,容易拆装及维修,并可在任意位置安装。 2、90°回转,启闭迅速。 3、由扭矩产生弹性密封,密封可靠。 4、选择不同零部件材质,可适用于多种介质。 【执行标准】 设计规范: GB/T 12238 结构长度: GB/T 12221 法兰连接: GB/T 9113 试验与检验:GB/T 13927 【性能参数】
|
|||||||||||||||||||||||||||||||||||||||||||

