|
D341H、D341W通风蝶阀
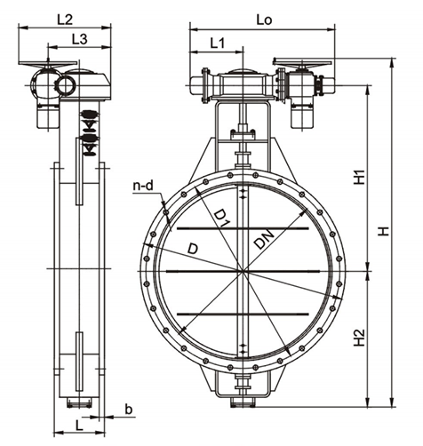
【阀门用途】 D341H、D341W 型 PN0.5~PN1通风蝶阀在冶金、化工、建材、电站、玻璃等行业中的通风、环保工程的含尘冷风或热风气体管道中,作为气体介质调节流量或切断装置。 【阀门特点】 1、通风蝶阀采用中线式碟板与短结构钢板焊接的新型结构形式设计制造的,结构紧凑、重量轻、便于安装、流阻小、流通量大,避免高温膨胀的影响,操作轻便。 2、通风蝶阀内无连杆、螺栓等、工作可靠、使用寿命长。可以多工位安装,不受介质流向影响。 【结构示意图】
【性能参数】 法兰连接标准:GB/T9115 |

