首页 >> 产品展示 >>蝶阀 >> D341F4衬氟蝶阀
详细内容

D341F4衬氟蝶阀

D341F4衬氟蝶阀.jpg

【阀门用途】

D341F4蜗杆传动衬氟蝶阀适用于各种不同类型工业管道中液体和气体(包括蒸汽)的输送,特别是具有严重腐蚀性介质的使用场合,如:硫酸、氢氟酸、磷酸、氯气、强碱、王水等具有强腐蚀性的介质。

【阀门型号】

手动衬氟蝶阀型号:D41F4/P(半衬)、D41F46/P(半衬)、D41F4(全衬)、D41F46(全衬);
蜗轮衬氟蝶阀型号:D341F4/P(半衬)、D341F46/P(半衬)、D341F4(全衬)、D341F46/P(全衬);
气动衬氟蝶阀型号:D641F4/P(半衬)、D641F46/P(半衬)、D641F4(全衬)、D641F46(全衬);
电动衬氟蝶阀型号:D941F4/P(半衬)、D941F46/P(半衬)、D941F4(全衬)、D941F46(全衬)。

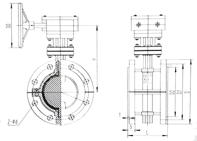
【结构示意图】

衬氟蝶阀结构示意图

【技术参数标准】

设计与制造标准:GB/T12238
结构长度标准:GB12221(短系列) ASME B16.10 JIS B2002
法兰尺寸标准:HG/T20592-2009 ANS B1S52212
压力试验标准:GB/T13927-92 API 598
公称压力:0.6MPa、1.0MPa、1.6MPa、2.5MPa、CLASS150
驱动方式:气动、手动、电动
连接方式:对夹、法兰

最新评论
请先登录才能进行回复登录

鞍山瑞科阀门制造有限公司

Anshan Ruike Valve Manufacturing Co.,Ltd

手机浏览


公司邮箱:asrkfm@163.com


公司地址:辽宁省鞍山市腾鳌特区黄士村保安路87号

鞍山瑞科阀门制造有限公司

联系热线:0412-8913855/8913255

客服中心
联系方式
0412-8913855
0412-8913255
扫一扫,关注微信
技术支持: 长青网络科技有限公司 | 管理登录
seo seo